Датчик движения B.E.G. Indoor 180-T с рамкой (92622)
Описание
- Комбинированный датчик движения/шума в виде настенного выключателя с диапазоном обнаружения 180°
- В сочетании с промежуточной рамкой подходит для всех распространенных выключателей, предназначенных для скрытого монтажа
- Исполнение IP20 и IP54 (исполнение IP54 для влажных помещений, гаражей, лестниц в подвал)
- Бесступенчатая регулировка уровня освещенности, чувствительности к шуму и времени задержки
- Для монтажных высот 1,10–2,20 м
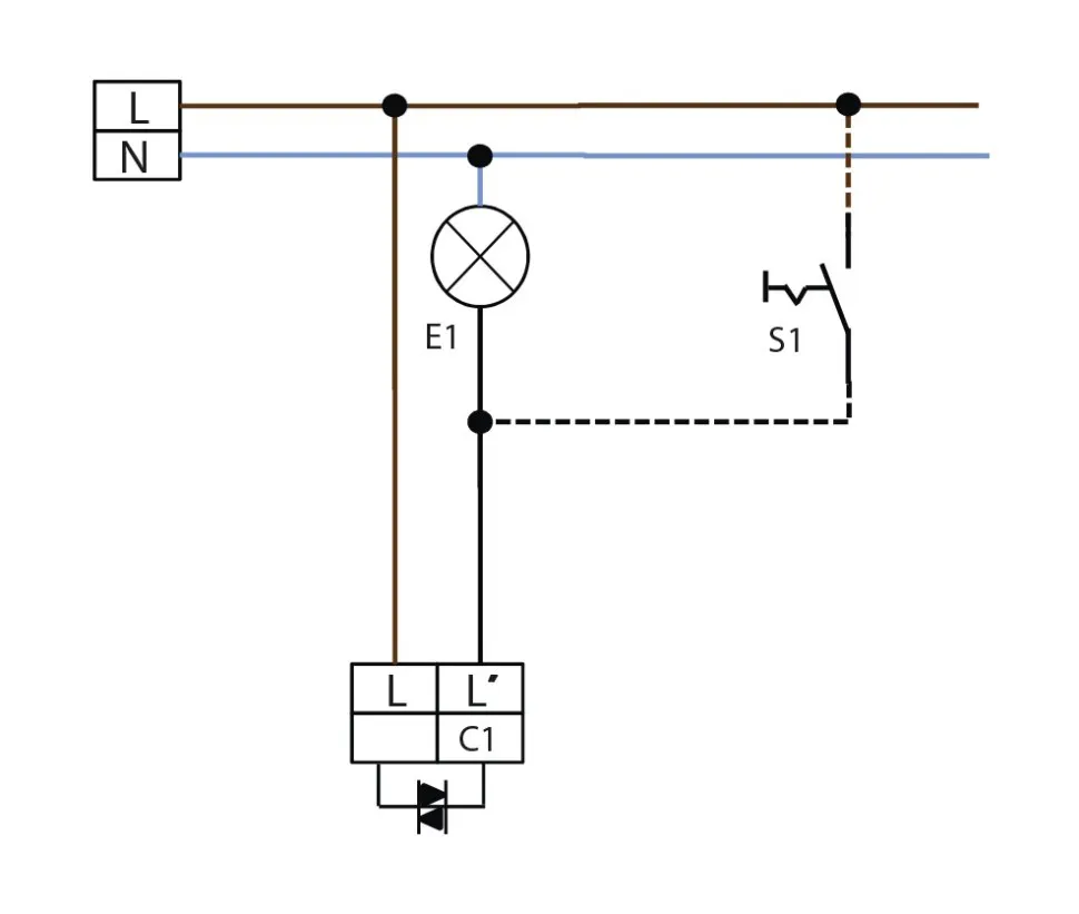
- Симисторное исполнение в двухпроводной технологии, без нулевого провода, для работы ламп накаливания мощностью до 300 Вт
- Исключение обнаружения в нижнем диапазоне датчика с помощью входящих в комплект поставки закрывающих пластин
- Возможность открытого монтажа с помощью аксессуара «цоколь для открытого монтажа» (92141)
Примеры использования
Контроль общественных туалетов, коридоров, архивов, комнат для совещаний
Технические данные
- Сетевое напряжение 230V
- Энергопотребление около 1,3 Вт
- Диапазон обнаружения 180°
- Дальность действия перпендикулярно ∅ 10 м.
- Дальность действия фронтально ∅ 3 м.
- Степень защиты IP20
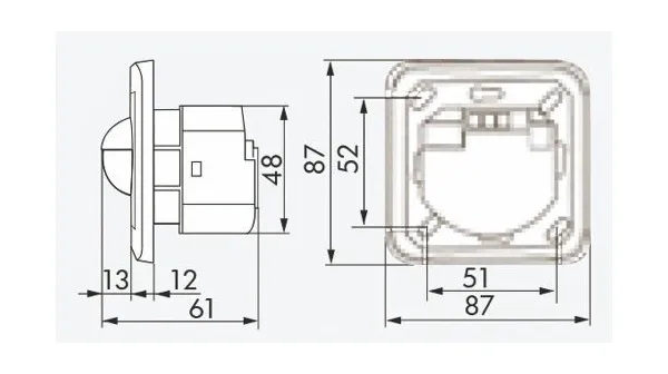
- Габариты Д 87 x Ш 87 x В 61 мм
- Температура окружающей среды от -25°C до +50°C
- Корпус из высококачественного и устойчивого к УФ поликарбоната
- Каналы управления 230V
- Коммутационная способность макc. 300 Вт / мин. 40 Вт, cos φ = 1
- Настройки времени 15 сек до 30 мин. или импульс
- Уровень освещенности 2 - 2000 люкс