Датчик движения B.E.G. PD3N-2C-FM (92188)

Бренд
B.E.G. Luxomat
Артикул
92188
Тип датчика
Движения
Цвет
белый
Степень защиты
IP20 (для помещений)
Монтаж
Врезной
EAN
4007529921881
Бренд
B.E.G. Luxomat
Артикул:
92188
Цена:
20963,0 ₽
Заказать
Свяжитесь с нами и мы поможем вам правильно подобрать оборудование и комплектующие
Характеристики
EAN
4007529921881
Тип датчика
Движения
Цвет
белый
Степень защиты
IP20 (для помещений)
Монтаж
Врезной
Вариант установки
Потолочный
Угол обнаружения
360°
Мощность нагрузки, Вт
2300 Вт
Кол-во каналов
2 канала
Дальность обнаружения
5 м
Сенсор
Инфракрасный
Вид питания
220/230В
Мин задержка отключения
30 сек
Макс задержка отключения
30 мин
Бренд
B.E.G. Luxomat
Гарантия
36 мес.
Вес
0.3 кг
Описание

Описание

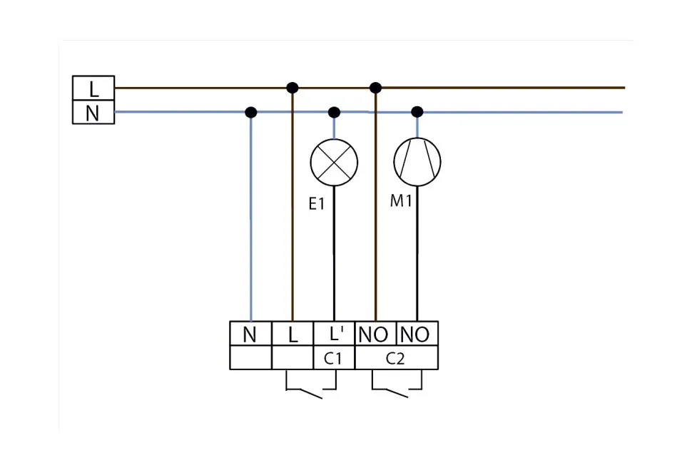
  • Дистанционно управляемый потолочный датчик движения с круговым диапазоном обнаружения, скрытый монтаж в установочную коробку
  • Два канала коммутации, первый – для коммутации света, второй – для коммутации других потребителей тока (например: систем отопления, кондиционирования и вентиляции)
  • Высокопроизводительное реле для коммутации мощных светильников
  • Специальная оптическая система для регистрации даже наименьших движений
  • Серийная импульсная функция

Примеры использования

Контроль небольших площадей, например лестничных клеток, отдельных гаражей, туалетов

Технические данные

  • Сетевое напряжение 230V
  • Энергопотребление 0,5 Вт
  • Диапазон обнаружения 360°
  • Дальность действия перпендикулярно Ø 10 м.
  • Дальность действия фронтально Ø 6 м.
  • Дальность действия присутствие Ø 4 м.
  • Степень защиты IP20
  • Габариты Ø 106 x В 63 мм
  • Температура окружающей среды от -25°C до +50°C
  • Корпус из высококачественного и устойчивого к УФ поликарбоната
  • Пульты IR-PD3N, IR-PD-Mini, IR-adapter c App (IOS/ Android)

Канал 1

  • Каналы управления 230V
  • Коммутационная способность 2300 Bт, cos φ = 1; 1150 ВА, cos φ = 0,5
  • Настройки времени 30 сек. — 30 мин. или импульс
  • Уровень освещенности 10 - 2000 Люкс
Канал 2
  • Коммутационная способность Замыкающий контакт, контакт NO,3 A, 230 В, cos φ = 1
  • Настройки времени от 5 сек до 120 мин.
Галерея
Whatsapp
Telegram
Телефон
Email
Наверх

Связаться с нами
Главная Каталог Корзина
0
Избранное Сравнение