Датчик присутствия B.E.G. PD2-M-DIM-FM (92157)
Описание
- Удобное и недорогое решение для регулировки постоянного освещения
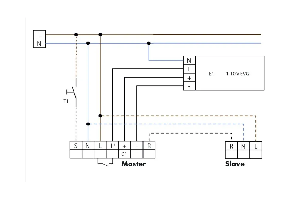
- Дистанционно управляемый потолочный датчик присутствия PD2-M-DIM в исполнении для диммирования света для потолочного монтажа, с круговым диапазоном обнаружения
- Один канал для коммутации света
- Выход для диммирования света с интерфейсом 1–10 В постоянного тока
- Возможность подключения любого количества SLAVE устройств для расширения диапазона обнаружения!
- Функции полностью автоматического или полуавтоматического режимов работы, диммирования света и коммутации выбираются с помощью доступного в качестве аксессуара ИК-пульта дистанционного управления
Примеры использования
- Офисы, комнаты для совещаний, школы, детские сады, больницы
Технические данные
- Сетевое напряжение 230V
- Энергопотребление около 0,5 Вт
- Диапазон обнаружения 360°
- Дальность действия перпендикулярно Ø 10 м.
- Дальность действия фронтально Ø 6 м.
- Дальность действия присутствие Ø 4 м.
- Степень защиты IP20
- Габариты Ø 98 x В 65 мм
- Температура окружающей среды от -25°C до +50°C
- Корпус из высококачественного и устойчивого к УФ поликарбоната
- Пульты IR-PDim, IR-PD-DIM-Mini, IR-adapter c App (IOS/ Android)
Канал 1
- Каналы управления 1-10V
- Коммутационная способность 2300 Bт, cos φ = 1; 1150 BА, cos φ = 0,5
- Коммутационная способность 1-10V постоянного тока, макс 50 ЭПРА
- Настройки времени 1 мин. — 30 мин.
- Уровень освещенности 10 - 2000 люкс