Датчик присутствия B.E.G. PD4-M-2C-FM (92255)

Бренд
B.E.G. Luxomat
Артикул
92255
Тип датчика
Присутствия
Цвет
белый
Степень защиты
IP20 (для помещений)
Монтаж
Врезной
EAN
4007529922550
Бренд
B.E.G. Luxomat
Артикул:
92255
Цена:
34847,0 ₽
Заказать
Свяжитесь с нами и мы поможем вам правильно подобрать оборудование и комплектующие
Характеристики
EAN
4007529922550
Тип датчика
Присутствия
Цвет
белый
Степень защиты
IP20 (для помещений)
Монтаж
Врезной
Вариант установки
Потолочный
Угол обнаружения
360°
Мощность нагрузки, Вт
2300 Вт
Кол-во каналов
2 канала
Дальность обнаружения
12 м
Сенсор
Инфракрасный
Вид питания
220/230В
Мин задержка отключения
15 сек
Макс задержка отключения
30 мин
Бренд
B.E.G. Luxomat
Гарантия
36 мес.
Вес
0.3 кг
Описание

Описание

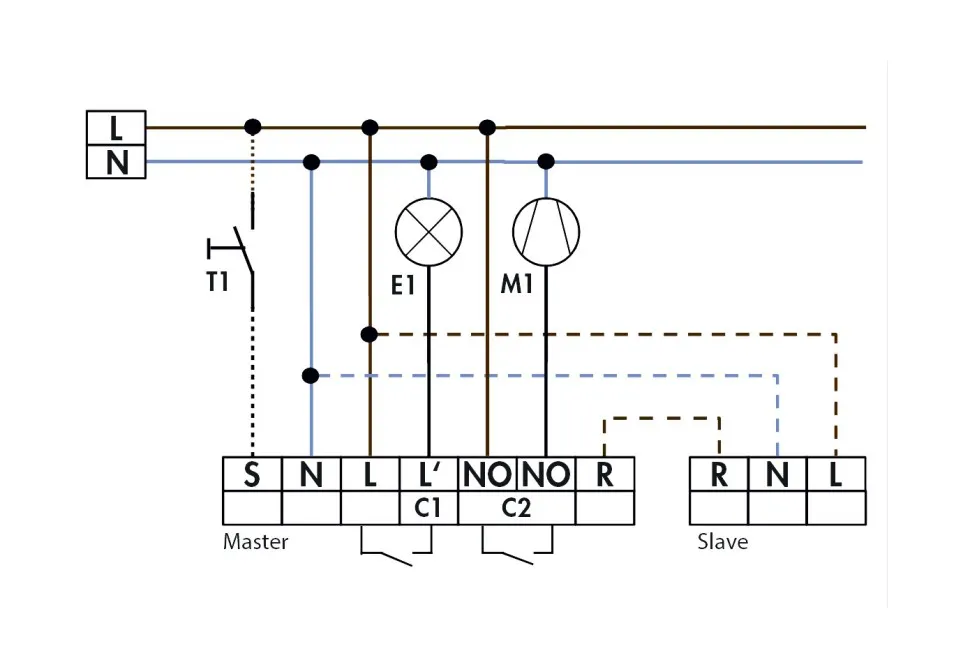
  • Дистанционно управляемый потолочный датчик присутствия PD4-M-2C в исполнении ведущего (Master) устройства для потолочного монтажа, с круговым диапазоном обнаружения и дальностью действия 24 м.
  • Два канала коммутации, один для коммутации света, второй с нулевым потенциалом для коммутации ОКВ (отопления, кондиционировании и вентиляции).
  • Возможность подключения любого количества SLAVE устройств для расширения диапазона обнаружения!
  • Большое количество программ для настройки с помощью пульта дистанционного управления IR-PD-2C

Примеры использования

  • Контроль больших площадей, например подземных гаражей, спортивных залов, складов, погрузочных платформ, залов

Технические данные

  • Сетевое напряжение 230V
  • Энергопотребление около 0,5 Вт
  • Диапазон обнаружения 360°
  • Дальность действия перпендикулярно Ø 24 м.
  • Дальность действия фронтально Ø 8 м.
  • Дальность действия присутствие Ø 6,4 м.
  • Степень защиты IP20
  • Габариты Ø 104 x В 70 мм
  • Температура окружающей среды от -25°C до +50°C
  • Корпус из высококачественного и устойчивого к УФ поликарбоната
  • Пульты IR-PD-2C, IR-PD-Mini, IR-adapter c App (IOS/ Android)
Канал 1
  • Каналы управления 230V
  • Коммутационная способность 2300 Bт, cos φ = 1; 1150 BА, cos φ = 0,5
  • Настройки времени 15 сек — 30 мин. или импульс
  • Уровень освещенности 10 - 2000 люкс
Канал 2
  • Каналы управления 230V
  • Коммутационная способность Замыкающий контакт, контакт NO, 230 В, 3 A, cos φ = 1
  • Настройки времени Импульс сигнала тревоги, импульс или от 5 до 120 мин

Галерея
Whatsapp
Telegram
Телефон
Email
Наверх

Связаться с нами
Главная Каталог Корзина
0
Избранное Сравнение