Датчик присутствия B.E.G. PD4-M-DALI/DSI-FC (92275)
Сведения о продукте
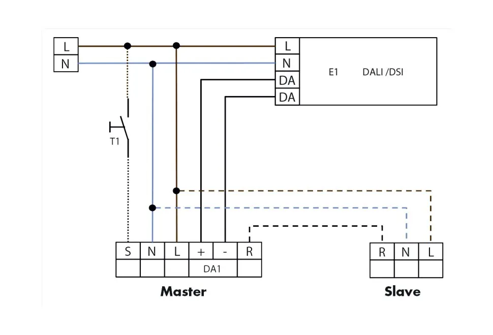
- Дистанционно управляемый потолочный групповой датчик присутствия PD4-M-DALI/DSI в исполнении ведущего (Master) устройства, для скрытого монтажа в подвесной потолок, с интерфейсом DALI и круговым диапазоном обнаружения и дальностью действия около 24 м
- Удобное и недорогое решение для регулировки постоянного освещения
- Управление группой цифровых ЭПРА с регулировкой света в количестве до 50 единиц
- Большое количество программ для настройки с помощью пульта дистанционного управления IR-PD-DALI
- Переключение между программами DSI и DALI с помощью дистанционного управления
Примеры использования
- Контроль больших площадей, например подземных гаражей, спортивных залов, складов, погрузочных платформ, залов
Технические данные
- Сетевое напряжение 230V
- Энергопотребление около 0,9 Вт
- Диапазон обнаружения 360°
- Дальность действия перпендикулярно Ø 24 м.
- Дальность действия фронтально Ø 8 м.
- Дальность действия присутствие Ø 6.4 м.
- Степень защиты IP20
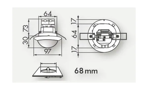
- Габариты Ø 97 x В 103 мм
- Температура окружающей среды от -25°C до +50°C
- Корпус из высококачественного и устойчивого к УФ поликарбоната
- Пульты IR-PD-DALI, IR-PD-DALI-E, IR-PD-DALI-LD, IR-PD-DALI-Mini, IR-adapter c App (IOS/ Android)
Канал 1
- Каналы управления DALI
- Задающее устройство DALI/DSI макс. 50 ЭПРА
- Настройки времени от 1 до 30 мин.
- Уровень освещенности 10 - 2000 люкс