Датчик присутствия Steinel IR Quattro DALI-2 Application Controller (002749)
Больше, чем датчик присутствия. Квадратный круг.
Имея 1760 коммутационных зон, он устанавливает новые стандарты качества обнаружения, особенно в небольших офисах, складских помещениях, служебных помещениях, подсобных помещениях и умывальных. Зона обнаружения квадрата также может быть масштабирована механически без потери качества - возможность, которая является эксклюзивной для STEINEL Professional Presence Control PRO.
Технические характеристики
|
Европейский номер артикула (EAN) |
4007841002749 |
|
Тип |
Детектор присутствия |
|
Размеры (Д x Ш x В) |
55 х 120 х 120 мм |
|
Электропитание от сети |
230 В / 50-60 Гц |
|
Сенсорная технология |
Пассивный инфракрасный |
|
Применение |
В помещении |
|
Приложение, комната |
Кабинет для одного человека,
|
|
Установка |
Врезной монтаж |
|
Электронная масштабируемость |
Нет |
|
Механическая масштабируемость |
Да |
|
Монтажная высота |
2,50 - 8,00 м |
|
Оптимальная высота установки |
2,8 м |
|
Угол обнаружения |
360° |
|
Защита нижней зоны |
Да |
|
Возможность маскировки отдельных сегментов |
Нет |
|
Радиальный вылет |
5 х 5 м (25 м²) |
|
Вылет по касательной |
7 x 7 м (49 м²) |
|
Сумерки УЧИТЬ |
Да |
|
Настройка сумерек |
10 - 1000 лк |
|
Настройки времени |
30 с - 30 мин. |
|
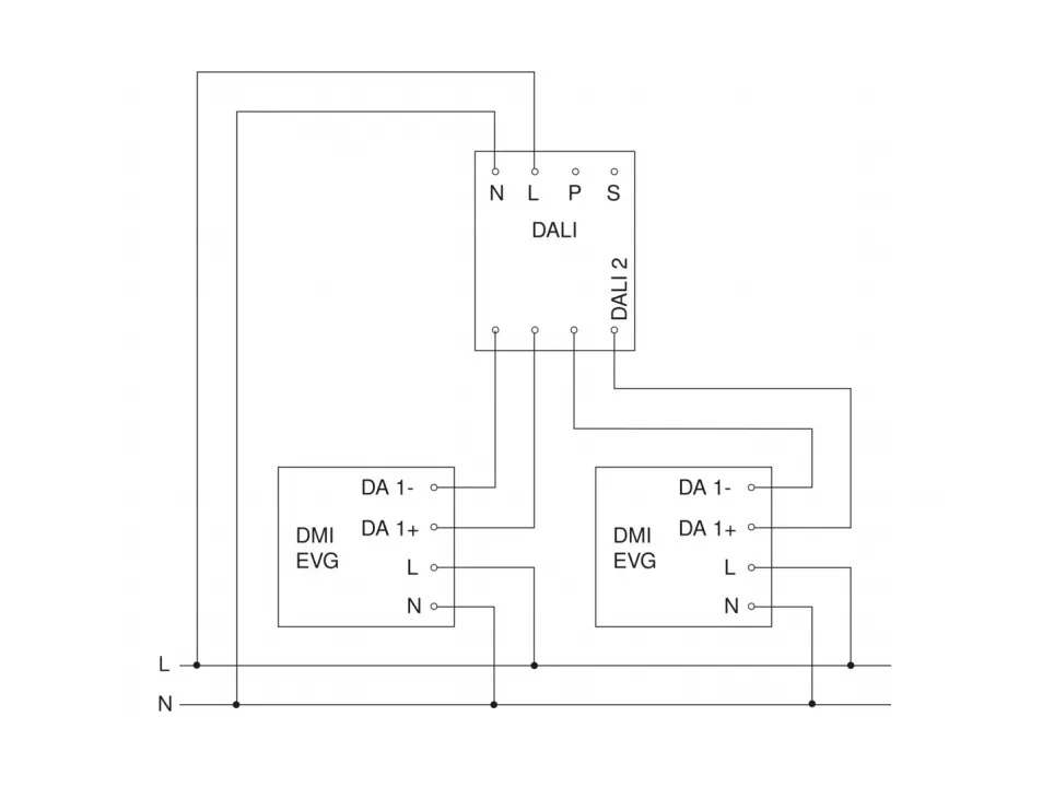
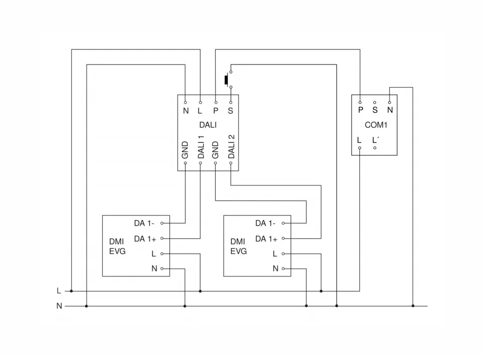
Контрольный выход, DALI |
Трансляция электронных балластов 2х12 |
|
Постоянное управление освещением |
Да |
|
Базовая функция уровня освещенности |
Да |
|
Время работы основного уровня освещенности |
1-60 мин, всю ночь |
|
Функции |
Нормальный / тестовый режим,
|
|
Настройки через |
Пульт дистанционного управления,
|
|
С дистанционным управлением |
Нет |
|
Взаимосвязь |
Да |
|
IP-рейтинг |
IP20 |
|
Материал |
Пластик |
|
Температура окружающей среды |
-25°С ... +55°С |
|
Цвет |
Белый |
|
Цвет, RAL |
9010 |
|
Гарантия производителя |
5 лет |
|
Версия |
DALI-2 Application Controller |
|
Интерфейс |
DALI-2 Application Controller |
|
Сенсорная технология |
Пассивный инфракрасный |