Датчик присутствия Steinel True Presence DALI-2 Application Controller AP (057954)
Первый настоящий детектор присутствия.
Ожидание следует за взглядом вверх. True Presence (Настоящее присутствие) был разработан, чтобы стать первым детектором настоящего присутствия. Он достоверно сообщает, находится ли человек в комнате или нет. Это означает, что впервые также возможно надежное обнаружение отсутствия. С помощью этой информации вы можете надежно, без задержек включать свет и избежать ненужных затрат на электроэнергию. Его знание реального присутствия или отсутствия также предлагает множество других применений, которые имеют большое значение для управления зданием. Он устанавливает новый стандарт в современной автоматизации зданий.
Технические характеристики
| Европейский номер артикула (EAN) | 4007841057954 |
|
Тип |
Детектор присутствия |
|
Размеры (Д x Ш x В) |
123 х 123 х 45 мм |
|
Электропитание от сети |
220 - 240 В / 50 - 60 Гц |
|
Сенсорная технология |
Высокая частота |
|
Применение |
В помещении |
|
Приложение, комната |
Аудитория, лекционный зал,
|
|
Установка |
Накладной монтаж |
|
ВЧ-система |
7,2 ггц |
|
Электронная масштабируемость |
Да |
|
Механическая масштабируемость |
Нет |
|
Монтажная высота |
2 - 12 мес. |
|
Оптимальная высота установки |
2,8 м |
|
Угол обнаружения |
360 ° |
|
Угол раскрытия |
360 ° |
|
Защита нижней зоны |
Да |
|
Возможность маскировки отдельных сегментов |
Нет |
|
Радиальный вылет |
Ø 15 м (177 м²) |
|
Вылет по касательной |
Ø 15 м (177 м²) |
|
Сумерки УЧИТЬ |
Да |
|
Настройка сумерек |
2 - 1000 лк |
|
Настройки времени |
30 с - 30 мин. |
|
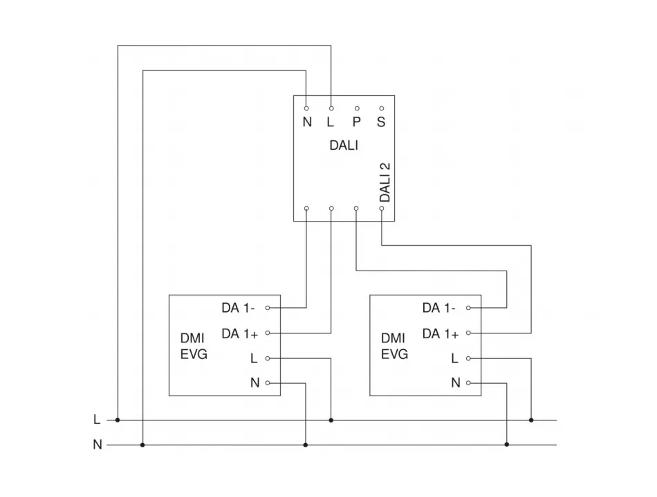
Контрольный выход, Дали |
Адресные / широковещательные 64 электронных балласта |
|
Постоянное управление освещением |
Да |
|
Базовая функция уровня освещенности |
Да |
|
Время работы основного уровня освещенности |
1-60 мин, всю ночь |
|
Функции |
Выбор запрограммированных сценариев освещения,
|
|
Настройки через |
Bluetooth |
|
С дистанционным управлением |
Нет |
|
Взаимосвязь |
Да |
|
IP-рейтинг |
IP54 |
|
Материал |
Пластик |
|
Температура окружающей среды |
-20°С ... +50°С |
|
Цвет |
Белый |
|
Цвет, RAL |
9003 |
|
Гарантия производителя |
5 лет |
|
Версия |
DALI-2 Application Controller - Накладной монтаж |
|
Интерфейс |
DALI-2 Application Controller |
|
Сенсорная технология |
Высокая частота |