Счетчик часов наработки электромеханический Theben BZ 145 24V (1459024)
Описание функций
- Счетчик наработки с синхронным двигателем
- Установка на DIN рейку (DIN EN 60 715)
- Монтаж с дополнительной крышкой для клемм, герметичной. Арт. 9070075
- Монтаж в переднюю панель, арт. 9070001
- Защита контактов в соответствии с BGV A3
- Винтовые клеммы
Технические характеристики
| Номинальное напряжение | 24 – 48 V DC |
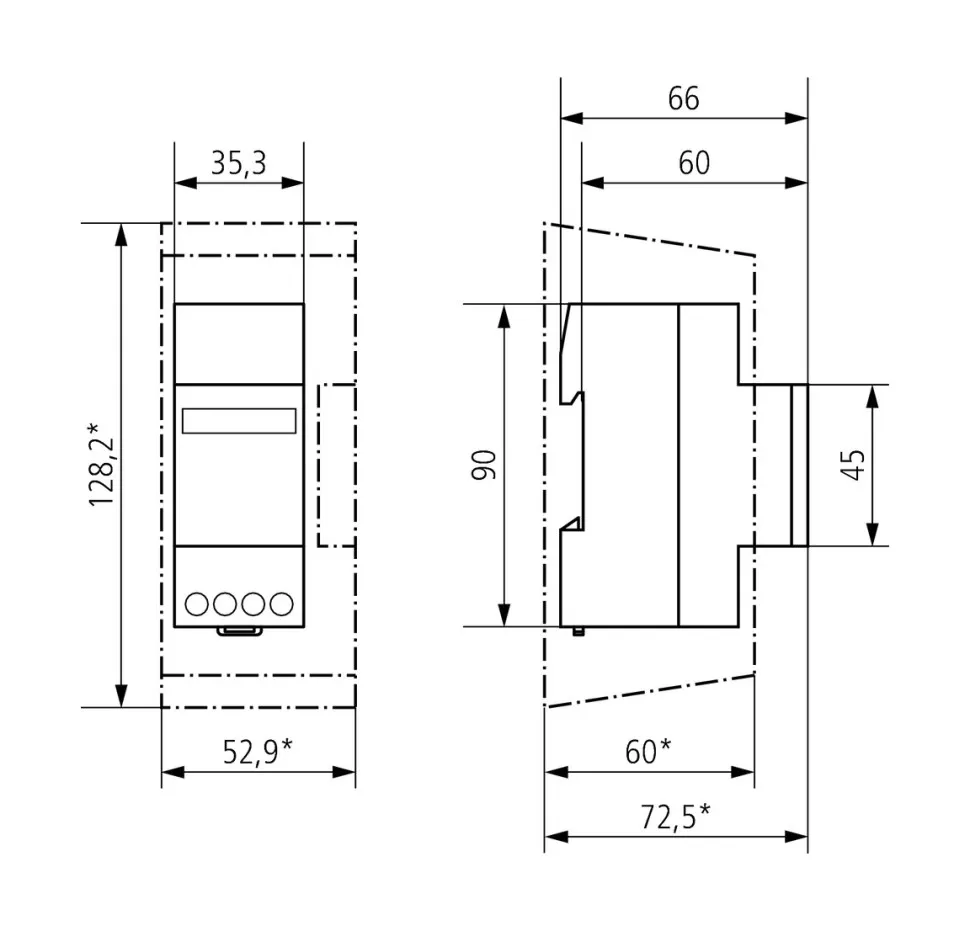
| Ширина | 2 мо́дуль |
| Тип монтажа | DIN рейка |
| Размер передней панели | 35 x 45 mm |
| Установочный размер | 35 x 45 мм (глубина 60 мм) |
| Диапазон подсчета | 99 999,9 часов, без сброса |
| Степень защиты | IP 20 |
| Класс электрической защиты | II в соответствии с EN 60 335-1 |
| Температура окружающей среды | -10°C ... 70°C |