Сумеречный выключатель Theben LUNA 110 EL 24V (1104200)
Описание функций
- Фотореле, аналоговые
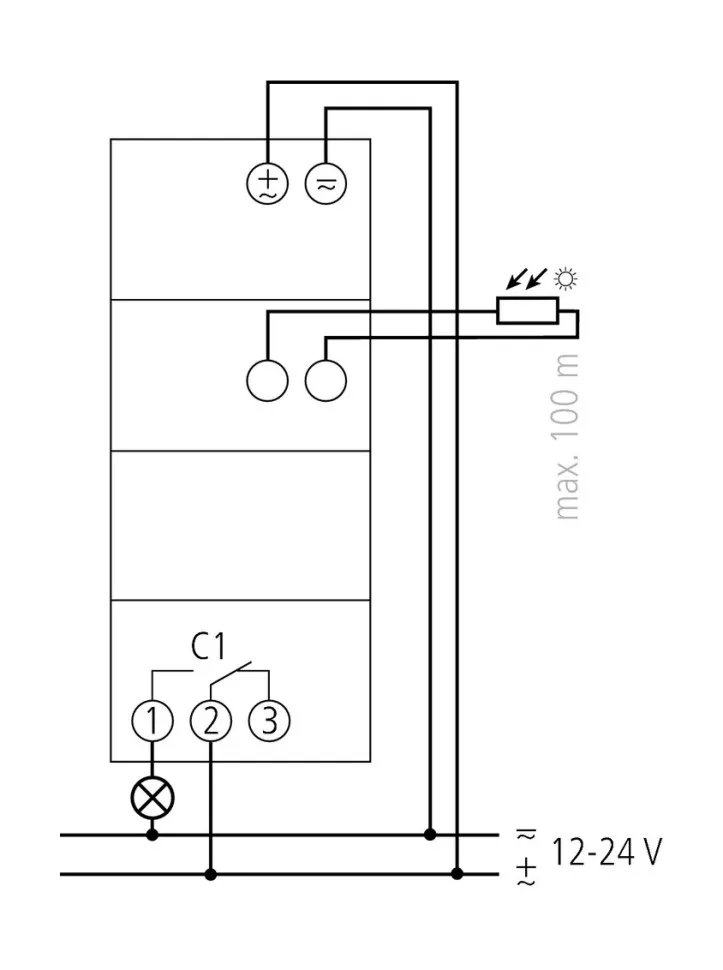
- Внешний датчик входит в комплект поставки
- Настраиваемые задержки срабатывания Включить и Выключить для исключения ложного срабатывания из-за случайного попадания света от фар, молнии и т.п.
- Светодиодная индикация статуса канала
- Пружинные клеммы DuoFix для 2 проводов каждая
- Широкий диапазон настройки порога срабатывания и задержки срабатывания
- Пять диапазонов настройки порога срабатывания по освещенности
- Функции «Постоянно включено» и «Постоянно выключено» устанавливаются потенциометром
- Функция «Тест» для проверки правильности подключения и настройки порога срабатывания
- Плавная регулировка порога срабатывания по освещенности
Технические характеристики
| Номинальное напряжение | 12 – 24 V UC |
| Частота | 50 – 60 Гц |
| Количество каналов | 1 |
| Энергопотребление в режиме ожидания | ~0,2 Вт |
| Диапазон настройки яркости | 2 – 50000 Лк |
| Задержка включения | 0 – 20 мин |
| Задержка отключения | 0 – 20 мин |
| Тип контактов | Перекидной контакт |
| Релейный выход | Беспотенциальный |
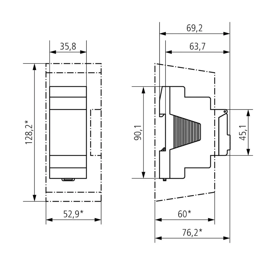
| Ширина | 2 мо́дуль |
| Тип монтажа | DIN рейка |
| Тип подключения | Пружинные клеммы DuoFix |
| Клавиатура | 3 потенциометра |
| Коммутационная способность |
16 A при 250 В AC, cos φ = 1,
2 AX Нагрузка люминесцентных ламп |
| Коммутационная способность мин. | <10 мА |
| Лампы накаливания/галогенные | 1400 Вт |
| Нагрузка галогенных ламп | 1400 Вт |
| Нагрузка люминесцентных ламп (обычных) параллельно компенсированных | 58 Вт 7 µF |
| Светодиодные лампы < 2 Вт | 6 Вт |
| Светодиодные лампы 2-8 Вт | 20 Вт |
| Светодиодные лампы > 8 Вт | 24 Вт |
| Энергосберегающие лампы | 45 Вт |
| Нагрузка люминесцентных ламп (Электронный балласт) | 180 Вт |
| Lichtsensor | 24 В UC | Датчик освещенности врезного монтажа |
| Материалы корпуса и изоляции | Термостойкий самозатухающий термопластик |
| Температура окружающей среды | -30°C ... +55°C |
| Степень защиты | IP 20, датчик IP 65 |
| Класс электрической защиты | II, Датчик III |
| Макс. длина кабеля до датчика | 100 m |